注意:访问本站需要Cookie和JavaScript支持!请设置您的浏览器! 打开购物车 查看留言付款方式联系我们
初中电子 单片机教材一 单片机教材二
搜索上次看见的商品或文章:
商品名、介绍 文章名、内容
首页 电子入门 学单片机 免费资源 下载中心 商品列表 象棋在线 在线绘图 加盟五一 加入收藏 设为首页
本站推荐:
铅酸蓄电池的维护技术
文章长度[1709] 加入时间[2007/2/2] 更新时间[2026/2/5 14:47:16] 级别[0] [评论] [收藏]
铅酸蓄电池的维护技术


铅酸蓄电池普遍用于交通运输及通讯设备中,本文介绍此类蓄电池的维护经验与大家共勉。
  铅酸蓄电池使用日久,未及时充电,其极板上会产生许多硫酸铅颗粒,这种现象简称为“硫化”。当铅板上的微孔被硫酸铅颗粒堵塞时,铅板参与化学反应的有效面积减小,使电池容量随之减小,负载能力降低;当硫酸铅在铅板孔之间构成导电通路使大部分铅板不能参与充电化学反应时,用常规的充电方法,很难激活蓄电池使容量增大。经试验对这样的蓄电池重复进行若干次大充大放循环;或是用较大的脉冲电流对电池进行充电,但激活蓄电池收效甚微。为此借鉴恢复铅酸蓄电池容量的恢复器技术,用短暂而强大的脉冲电流对电池进行充电,并在脉冲间歇期间对电池进行放电,以消除极板上有害的硫酸盐淤积物,使电池容量得到有效恢复。也可将该恢复器长期接入经常使用的电池中,以防止24V铅酸蓄电池出现硫化现象。这种恢复器,其电路独特之处在于脉冲充放电的能量取自电池本身而不是外部电源,电池为电路供电的大部分时间都处在放电状态,实际上是脉冲放电的过程,仅在电池剩余电量很小的情况下,才将电池与该恢复器的连接端并联,成为涓流充电器。
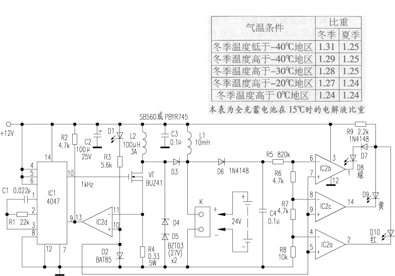
  电路原理如附图所示:待恢复的铅酸蓄电池经插口K和电感L1为电路供电,L1和C3起滤除高频脉冲的作用,C2是储能电容,接上电池后,D1发光,表示电源接通。由IC(4047)IC2D(1/4LM339)和场效应管VT(BUZ41)等组成的脉冲发生器在IC1第{10}脚(Q端)输出频率为1kHz,占空比为50%的矩形脉冲,当该端输出高电平时,VT导通,流过扼流圈L2和R4的电池放电电流线性增长,L2以磁场形式储存能量。当该电流达到1A左右使R4两端电压升到0.35V时,比较器IC2D翻转输出高电平,加至IC1第{9}脚(复位端)使第{10}脚输出低电平,VT截止,存储在L2中的磁场能量在L2两端产生尖峰脉冲电压,并通过D3对蓄电池充电。
  充电脉冲的幅度取决于电池的状态。串联的两只稳压管D4和D5将该脉冲的最大幅度限制在50V左右,以免损坏电池。
  IC2A~IC2C发光二极管D8~D10和R5~R9等组成电池状态指示电路。由于电池状态与充电脉冲的幅度密切相关,故测量C4两端的电压即可指示电池的状态,分压器R5~R8使比较器IC2B和IC2C、IC2A分别在C4两端电压为15V、20V、30V时翻转,当电池电量较大时,绿色发光二极管D8点亮;电量中等时黄色发光二极管D9点亮;电量很小时红色发光二极管D10点亮。
  此外,为了防止电解液对铅板的腐蚀及铅板的硫化,有条件的话应定时用比重计测量并按季节调整电解液比重。冬季温度低,为防止冻坏蓄电池,应将电解液比重适当加大;夏季温度高,为了减小电解液对铅板和隔板的腐蚀作用,应将电解液比重调小。各地区在不同季节,可按附表所示选择比重。调整电解液比重的具体步骤如下:
  (1)对蓄电池正常充电。
  (2)待蓄电池将充满电时,不中断充电测量其比重。
  (3)调整电解液。夏季时,应适当向蓄电池加入蒸馏水,使电解液比重降低,冬季时,向蓄电池内注入比重为1.4的电解液提高电解液的比重。
  (4)然后继续充电30~40分钟,并在加入的电解液混合均匀后,再测量电解液比重,如不符合要求,则应重新调整,调整合适后停止充电。

                                   山东 马存兵

1、 本站不保证以上观点正确,就算是本站原创作品,本站也不保证内容正确。
2、如果您拥有本文版权,并且不想在本站转载,请书面通知本站立即删除并且向您公开道歉! 以上可能是本站收集或者转载的文章,本站可能没有文章中的元件或产品,如果您需要类似的商品请 点这里查看商品列表!
本站协议 | 版权信息 |  关于我们 |  本站地图 |  营业执照 |  发票说明 |  付款方式 |  联系方式
深圳市宝安区西乡五壹电子商行——粤ICP备16073394号-1;地址:深圳西乡河西四坊183号;邮编:518102
E-mail:51dz$163.com($改为@);Tel:(0755)27947428
工作时间:9:30-12:00和13:30-17:30和18:30-20:30,无人接听时可以再打手机13537585389