CXA1691调频收音元件包, CXA1691(跟1191应用电路一样)是AM/FM收音机集成电路,(这里只用FM(调频)接收部分)。该集成电路灵敏度高,带调谐指示,电子音量控制及功率放大电路,和CXA1691可以直接互换。
参数说明: 工作电压:2-7.5V 静态电流:9mA 频率范围:88.0MHz--108.0MHz
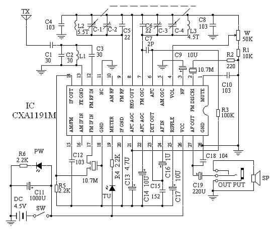
FM广播信号经天线接收后由C1、C2、C3、L1组成的带宽滤波电路滤波,除去88.0MHz--108.0MHz以外的信号,然后从IC的12脚输入到内部进行高频放大,再经9脚外围元件C5、PVC、L2选频回路选出要接收的广播信号去与7脚外接的C6、PVC、L3、C7组成的本振回路混频,从IC CXA1691的14输出10.7MHz的中频信号,经10.7MHz的中频滤波器滤掉10.7MHz以外的信号后从17脚输入到内部进行中频放大,后经内部电路和2脚所接的陶瓷晶振组成的鉴频电路鉴频,从23脚输出音频信号。23脚输出的音频信号很小,通过C16再从24脚送入内部进行音量控制、功率放大后,最后才从27脚输出,经C19推动喇叭发声。15脚为波段选择引脚, AM接收时接地,FM接收时接103瓷片电容对地。19脚为调谐指示引脚,收到一定强度的信号后输出低电平。4脚为电调音量控制端。
电路原理图和原理:

装配注意事项:电路原理图中的C18陶瓷电容,不能按照线路板上的安装位置安装,必需按图示位置焊接在板背后。为什么?该电容主要用来给高频信号提供短路回路,以滤除残余在音频信号中的高频信号,改良音质的同时也有一定的去加重作用,但是,该电容的冷端(地线、公用线或者靠近地线、公用线的一般俗称为冷端)距离1191IC的地线路太长,高频信号在这段线路板上产生了较高的压降,该压降反馈到输入端,导致IC内部信号放大电路阻塞从而产生杂音。因此,大家以后在设计线路板时,一定要考虑信号的回路,每个信号都有自己电流回路,而信号之间最好不要互相影响。现在很多集成电路都是数字和模似混合集成电路,既有数字接地,又有模拟接地,有的还有前级地、后级地,大家在设计电路时一定要多花心思,必要时可以做试验再改良。

查看和发表评论 管理员一般会在8-48小时内回复,会删除无意义的留言以及重复留言,请保证留言标题清晰,内容明确! 1、评论不代表本站观点。 另外,即使是本站原创作品,本站也不保证内容绝对正确。 2、如果您拥有本文版权,并且不想在此处发表,请书面通知本站立即删除并且向您公开道歉! |