注意:访问本站需要Cookie和JavaScript支持!请设置您的浏览器! 打开购物车 查看留言付款方式联系我们
初中电子 单片机教材一 单片机教材二
搜索上次看见的商品或文章:
商品名、介绍 文章名、内容
首页 电子入门 学单片机 免费资源 下载中心 商品列表 象棋在线 在线绘图 加盟五一 加入收藏 设为首页
 商品分类
※ 电子制作套件 ※
入门初学套件· 单片机应用套件
无线对讲话筒· 数字钟数字电路
收音功放套件· 功放套件
电话门铃电平· 万用表电源
LED节能灯套件· 遥控开关报警
竞赛实训设计· 传感器类套件
贴片练习套件· 显示屏套件
※ 电子实验套件 ※
单片机编程器· 初学实验套件
单片机产品· 实验板元件
LCD模块下载· 面包板
※ 电子工具 ※
仪器仪表· 电钻/钻头
焊接固定· 镊钳螺丝刀
工具套装· 元件盒胶袋
※ 电子电路板 ※
万能线路板· 感光敷铜板
收音功放成品· 其它成品板
单片机类光板· 印刷电路光板
※ 电子元器件 ※
电阻· 电容
电位器可调电阻· 二极管
三极管· 发光二极管
可控硅· 场效应管
电感线圈· 晶振滤波器
蜂鸣压垫片· 保险管灯泡
数码管点阵· 继电器干簧管
※ 贴片元器件 ※
贴片二极管· 贴片电阻/容
贴片三极管· 贴片常用IC
贴片40/74系· 贴片电感开关
贴片单片机·
※ 五金塑胶线材 ※
开关· IC插座
插头插座· 杜邦插接件
旋钮· 热缩管
电动机· 电子导线
连接线· 散热片
螺丝弹簧· 电池盒扣
电子制作盒·
※ 集成电路IC ※
单片机芯片· CD40系列IC
配单片机IC· 74LS系列IC
74HC系列IC· 运放耦合器
收发功放IC· 电源稳压IC
音乐动物IC· LED芯片
※ 模组传感器 ※
特色传感模块· 无线模块开关
传感测试探头· 气温湿传感器
※ 日常电子产品 ※
电源变压器· 图书管资料
功放收音机· 其它产品
喇叭· 音响炮筒
※ 特价电子 ※
新品优惠· 特价商品
库存回收· 停止供货
当前位置: 首页 >>> 【图片版】 【图文版】 【文字版

注:为了提高网速,图片可能被压缩! 图片仅供参考!
4W116粒LED灯杯+板+电源板
商城价格:¥4.90 元  免费注册有礼送
贵宾价格:¥4.17 元  加入贵宾更优惠
单件重量:20 克(仅供参考,包装重量另计)
  货源充足 支持零售   加入收藏  我要评论
点这里将商品放入购物车 

如果您喜欢该商品,您可以放入购物车!当您选好商品后,您可以留下您的地址和电话并提交订单,本站会按顺序处理!

请您放心,提交订单并不表示必需购买。 提交订单仅仅是信息交流的一种方法,仅仅只代表了您临时的潜在需求,您完全可以决定不购买,并且不需要任何理由。

注:本站图片仅供参考!因各种原因,图片与实物不一定相符,不便之处敬请谅解!我们会尽快改良!

4W116粒LED灯杯+板+电源板,没有配元件,需客户自己配齐元件,才能安装。注意:需要配元件的直接买本站的套件就行,特别适合家庭照明使用。

本站专业提供各种高质量、高可靠的LED节能灯套件,让您低价格也能享受到高科技带来的节能、省电、环保等全新体验。在更高亮度的照明效果下,您的照明电费从此会下降到白炽灯泡照明电费的十分之一、日光灯管照明电费的四分之一甚至更低!

你在为你家的灯泡不够亮而烦恼吗?你在为你家电费过多而烦恼吗?你在为地球环境的严重破坏而气愤吗?你在为你初学电子找不到好的套件练手而烦恼吗?

使用节能灯可以简单有效的舒缓全球气候转变。节能灯节能环保之余,又能节省金钱,光效更媲美白炽灯,是白炽灯和日光灯的最佳代替品。 它可以节省 80% 以上的电力。 使用节能灯取代低效能的白炽灯和日光灯,节能灯不但环保,耗电量低,经济省钱,且应用广泛。而且能够让你的焊接技术在实践中得到提高。

尺寸:ф95mm×H90mm
额定电压:180~250VAC,50/60Hz
额定功率:4W
使用场合:适合商用照明,家用照明,壁灯等。

装好的成品如下图所示:

这款LED节能灯的电路板是圆形的。发光二极管也是按照圆圈来排列的,一共有7圈。最内部(相当于圆心位置)有1个led,第二圈有5个led,第三圈有10个led,第四圈有20个led,第五圈有20个led,第六圈有20个led,第七圈(也是最外圈)有40个led。一起就是116粒led,板的正面对每一个led都标有编号,从内到外编号依次递增。

在第58和第59个,它们并没有连接起来,从它们中间划分,刚好两边都是58个,可以有两种接法,一种是串联,一种是并联,可以适合多种电源接法。我们会提供两种电源的电路原理图,供大家参考与制作。

笔者结合自己制作led灯的过程总结出来一些注意事项供大家参考
1. 拿到发光二极管和板的时候,不要急着把发光二极管全部装上去。如果你全部装上去了,会有2个坏处:
第一, 由于发光二极管之间的间距很紧密,会非常难焊
第二, 焊出来的板上的灯会歪歪扭扭。
所以,笔者建议一圈一圈的焊,插一圈焊一圈,再减脚。减完脚再焊下一圈。前四圈焊好后基本都是贴着板的,很好看。后三圈如果不压着它焊就会歪歪扭扭的,可以先把led插上去,焊的时候就找个重一点的东西(如装满水的杯子)把板压住再焊,这样就可以避免它歪歪扭扭。

2.焊的时候还要注意不要在某个发光二极管上焊太久,这样会导致led内部损坏,结果发光微弱,甚至不亮。
严重导致整个节能灯出现故障, 特别是插元件时千万不要要发光二极管插反,否则发光二极管会烧坏。

3.接通电源之前一定要检查发光二极管正负极是否装反。如果有个别装反了却没有检查就接通电源,装反的发光二极管就会不会发光而损坏 ,断电后再将发光二极管调换极性也没有用了。

本套件配用的是本站专用的专用节能灯led草帽灯透明发白光超亮(零售价0.3元每只,因为配本灯套件批量才会优惠!),寿命长,亮度高,耗电省,其光效是一般白炽灯泡光效的20倍以上。市面上有一些LED节能灯售价较低,那是因为采用了低价格的LED,有些甚至是采用了早期工艺生产的库存LED,实际亮度会大大打折。

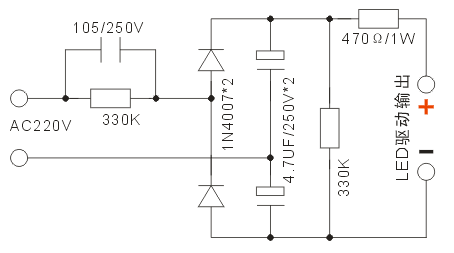
附:116灯LED串联供电的电源的电路原理图(以下元件参数在230V时,经过实测(安装本站的白光草帽灯)LED工作电流11MA,LED两端工作电压2.85V,整灯耗电量约为4W左右,实际照明效果的亮度相当60W白炽灯泡,接近20W日光灯的亮度。)

说明:白光草帽灯的推荐工作电流为20MA左右,但是,由于本灯LED数量多,安装密度大,所以采取降额使用,这样降低了温升,让发光二极管的寿命大大延长,理论寿命为10-20万小时,而白炽灯泡和日光灯管的寿命仅为0.3万小时!对于灯店、公司等照明用电大户来说,一年的电费就可以节省出LED灯的支出,同时还可以节省电工的的维护工资。


 LED节能灯小常识


环保节能LED照明灯泡的优点:

◇高效节能 LED节能灯耗电量不到普通灯泡耗电量的十分之一 ,同样的亮度,节能效果非常明显。

◇超长寿命 本产品属于小功率半导体产品,正常使用几年很少会出问题,而普通灯泡的寿命则一般不长,是因为普通灯泡的钨丝热胀冷缩过程中很容易造成断丝,这也是传统灯泡的致命弱点。另外LED本身正向压降具有一定的恒压作用,所以能在较宽的电压范围下正常工作。

◇光线健康 光线中不含紫外线和红外线,无辐射,普通节能灯管和白炽灯光线中含有紫外线和红外线;


◇绿色环保 不含汞和铅等有害元素,得利于回收和利用,而且不会产生电磁干扰,普通灯管中含有汞和铅等有害元素,节能灯中的电子镇流器会产生电磁干扰;

◇保护视力 直流驱动,无频闪,普通灯都是交流驱动,就必然产生频闪;
◇光效率高 发热小,90%的电能转化为可见光,普通白炽灯80%的电能转化为热能,仅有20%电能转化为可见光;


◇安全系数高 所需电压、电流较小,发热较少,无安全隐患,可用于矿场等危险场所;

“led灯”广泛用于:

(一)家庭照明、装饰、客厅、卧室、壁灯、台灯、卫生间、阳台、厨房、顶灯、吧台、庭院、私家园林、景观照明。用电为此大幅小降。为了防盗,许多家庭把“led灯”变成“不花钱”的防盗灯,威慑盗贼,一夜开到天亮。


(二)学校、医院、工厂、办公室、商厦、写字楼、用于伏案工作的台灯,走廊、楼梯照明。


(三)市政照明、银行、基础设施、体育馆、机场、影院、工业设施、公共卫生。
(四)饭店、宾馆、酒店、商厦、招待所、超市、冷饮、蛋糕店、熟食店、酒吧、咖啡店、茶楼、文化娱乐、商业场所。 


(五)广告、会展、演出、装饰。
(六)农村电力不足地区,在农村节俭的农民经常用15-25W的白焕灯照明,建设新农村“一度灯”农村市场巨大。


查看和发表评论
管理员一般会在8-48小时内回复,会删除无意义的留言以及重复留言,请保证留言标题清晰,内容明确!
1、评论不代表本站观点。 另外,即使是本站原创作品,本站也不保证内容绝对正确。
2、如果您拥有本文版权,并且不想在此处发表,请书面通知本站立即删除并且向您公开道歉!

2010年优惠大酬宾:凡在本商城免费注册并且提交订单购买商品者,本站都会例行赠送《电脑钻孔的万能线路板一》一块! 查看详情
本站协议 | 版权信息 |  关于我们 |  本站地图 |  营业执照 |  发票说明 |  付款方式 |  联系方式
深圳市宝安区西乡五壹电子商行——粤ICP备16073394号-1;地址:深圳西乡河西四坊183号;邮编:518102
E-mail:51dz$163.com($改为@);Tel:(0755)27947428
工作时间:9:30-12:00和13:30-17:30和18:30-20:30,无人接听时可以再打手机13537585389