进入框架页面 

9. 一键多功能按键识别技术

1.实验任务

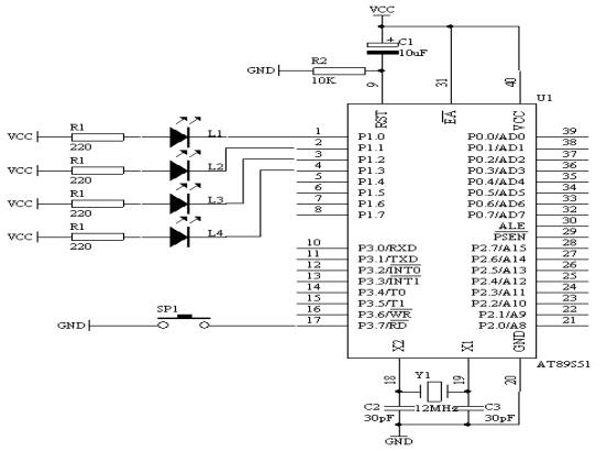
如图4.9.1所示,开关SP1接在P3.7/RD管脚上,在AT89S51单片机的P1端口接有四个发光二极管,上电的时候,L1接在P1.0管脚上的发光二极管在闪烁,当每一次按下开关SP1的时候,L2接在P1.1管脚上的发光二极管在闪烁,再按下开关SP1的时候,L3接在P1.2管脚上的发光二极管在闪烁,再按下开关SP1的时候,L4接在P1.3管脚上的发光二极管在闪烁,再按下开关SP1的时候,又轮到L1在闪烁了,如此轮流下去。

2.电路原理图

图4.9.1

3.系统板上硬件连线

(1. 把“单片机系统”区域中的P3.7/RD端口连接到“独立式键盘”区域中的SP1端口上;

(2. 把“单片机系统”区域中的P1.0-P1.4端口用8芯排线连接到“八路发光二极管指示模块”区域中的“L1-L8”端口上;要求,P1.0连接到L1,P1.1连接到L2,P1.2连接到L3,P1.3连接到L4上。

4.程序设计方法

(1. 设计思想由来

在我们生活中,我们很容易通过这个叫张三,那个叫李四,另外一个是王五;那是因为每个人有不同的名子,我们就很快认出,同样,对于要通过一个按键来识别每种不同的功能,我们给每个不同的功能模块用不同的ID号标识,这样,每按下一次按键,ID的值是不相同的,所以单片机就很容易识别不同功能的身份了。

(2. 设计方法

从上面的要求我们可以看出,L1到L4发光二极管在每个时刻的闪烁的时间是受开关SP1来控制,我们给L1到L4闪烁的时段定义出不同的ID号,当L1在闪烁时,ID=0;当L2在闪烁时,ID=1;当L3在闪烁时,ID=2;当L4在闪烁时,ID=3;很显然,只要每次按下开关K1时,分别给出不同的ID号我们就能够完成上面的任务了。下面给出有关程序设计的框图。

5.程序框图

 

 

 

 

 

 

 

 

 

 

 

 

图4.9.2

6. 汇编源程序
ID EQU 30H
SP1 BIT P3.7
L1 BIT P1.0
L2 BIT P1.1
L3 BIT P1.2
L4 BIT P1.3
ORG 0
MOV ID,#00H
START: JB K1,REL
LCALL DELAY10MS
JB K1,REL
INC ID
MOV A,ID
CJNE A,#04,REL
MOV ID,#00H
REL: JNB K1,$
MOV A,ID
CJNE A,#00H,IS0
CPL L1
LCALL DELAY
SJMP START
IS0: CJNE A,#01H,IS1
CPL L2
LCALL DELAY
SJMP START
IS1: CJNE A,#02H,IS2
CPL L3
LCALL DELAY
SJMP START
IS2: CJNE A,#03H,IS3
CPL L4
LCALL DELAY
SJMP START
IS3: LJMP START
DELAY10MS: MOV R6,#20
LOOP1: MOV R7,#248
DJNZ R7,$
DJNZ R6,LOOP1
RET
DELAY: MOV R5,#20
LOOP2: LCALL DELAY10MS
DJNZ R5,LOOP2
RET
END
7. C语言源程序
#include <AT89X51.H>
unsigned char ID;
void delay10ms(void)
{
unsigned char i,j;
for(i=20;i>0;i--)
for(j=248;j>0;j--);
}

void delay02s(void)
{
unsigned char i;
for(i=20;i>0;i--)
{delay10ms();
}
}

void main(void)
{ while(1)
{ if(P3_7==0)
{delay10ms();
if(P3_7==0)
{
ID++;
if(ID==4)
{
ID=0;
}
while(P3_7==0);
}
}
switch(ID)
{ case 0:
P1_0=~P1_0;
delay02s();
break;
case 1:
P1_1=~P1_1;
delay02s();
break;
case 2:
P1_2=~P1_2;
delay02s();
break;
case 3:
P1_3=~P1_3;
delay02s();
break;
}
}
}


以上资料来自于互联网!编辑整理:五一电子加油站;网址:http://51dz.com
欢迎光临五一电子商城!免费学习电子技术,面向全国邮购电子元件、实验套件!